Working Principle: When the current passes through the electromagnetic transformer, the current transformer transmits the current signal to the circuit board, which judges whether it is a fault current. If it is, the mechanism is directly tripped.


To ensure transportation safety, our electrical products are exported in reinforced wooden crates. The crates undergo heat treatment and bear the ISPM-15 mark, enabling swift customs clearance. The raised base design facilitates forklift operation, while internal shock-absorbing fastening ensures the products arrive intact. All exterior crates are clearly labeled and comply with international logistics standards.



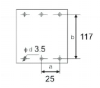
| Type | pole | External Dimensions | Installation Dimensions (mm) | Rear Panel Connection Dimensions (mm) | |||||||||||
| L | L1 | W | H | H1 | H2 | a | b | ∅d | a1 | b1 | d1 | H3 | H4 | ||
| MTM1-63L | 3 | 135 | 21 | 76 | 89.5 | 72 | 18 | 25 | 117 | 3.5 | 25 | 117 | 18 | 52 | 75 |
| 4 | 103 | ||||||||||||||
| MTM1-63M | 3 | 76 | 99 | 81 | 28 | ||||||||||
| 4 | 103 | ||||||||||||||
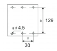
| MTM1-125L | 2 | 150 | 51 | 65 | 87 | 68 | 24 | … | 129 | 4.5 | 30 | 132 | 22 | 65 | 100 |
| 3 | 92 | 30 | |||||||||||||
| 4 | 121 | … | |||||||||||||
| MTM1-125M,H | 2 | 65 | 103.5 | 85 | 23 | … | |||||||||
| 3 | 92 | 30 | |||||||||||||
| 4 | 121 | … | |||||||||||||
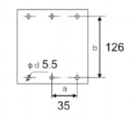
| MTM1-250L | 2 | 164 | 64 | 75 | 108 | 87 | 24 | … | 126 | 5.5 | 35 | 144 | 24 | 70 | 110 |
| 3 | 107 | 35 | |||||||||||||
| 4 | 142 | … | |||||||||||||
| MTM1-250M,H | 2 | 75 | 124.5 | 104 | 24 | … | |||||||||
| 3 | 107 | 35 | |||||||||||||
| 4 | 142 | … | |||||||||||||
| MTM1-400M,H | 3 | 257 | 105 | 150 | 153 | 106 | 38 | 44 | 194 | 7 | 48 | 224 | 32 | 48.5 | 108.5 |
| 4 | 197 | Left 44 Right 50 | |||||||||||||
| MTM1-630M,H | 3 | 270 | 105 | 182 | 157 | 111 | 43 | 58 | 200 | 7 | 58 | 234 | 40 | 70 | 120 |
| 4 | 240 | ||||||||||||||
| MTM1-800M,H | 3 | 280 | 105 | 210 | 158 | 116 | 42 | 70 | 243 | 7 | 70 | 243 | 48 | 75 | 125 |
| 4 | 280 | ||||||||||||||
| Type | MTM1-63 | MTM1-125 | MTM1-250 | |||||
| lnmFrameInm(A) | 63 | 125 | 250 | |||||
| Rated current(A) | 10、16、20、25、32、40、50、63 | 16、20、25、32、40、50、63、80、100、125 | 100、125、140、160、180、200、225、250 | |||||
| Rated voltage Ue(V) | AC400 | AC400 | AC400 / AC690 | AC400 | AC400 | AC400 / AC690 | AC400 | |
| Rated insulation voltageUi(V) | AC800 | AC800 | AC800 | |||||
| Number of poles | 3、4 | 3、4 | 2、3、4 | 2、3、4 | 2、3、4 | 2、3、4 | 2、3、4 | 2、3、4 |
| IcukA) Rated limit short-circuit breaking capacity level |
L | M | S | L | M | S | L | M |
| IcukA) Rated limit short-circuit breaking capacity |
12 | 35 | 12 | 35 | 50 | 12 | 35 | 50 |
| Ics(kA) Rated short-circuit breaking capacity |
6 | 22 | 6 | 22 | 35 | 6 | 22 | 35 |
| Ratedlimitshort circuit breaking capacity |
4500 | 3000 | 2500 | |||||
| Operation life(cycle) | 8500 | 7000 | 6500 | |||||
| Arcing distance (mm) | 0、< 50 | 0、< 50 | < 50 | |||||
| Dimensions | ![]() |
![]() |
![]() |
|||||
|
Installation size |
![]() |
![]() |
![]() |
|||||

English
Français
Español
عربى
















































