- High Voltage Vacuum Circuit Breaker
- VS1 Medium-Voltage Indoor Vacuum Circuit Breaker
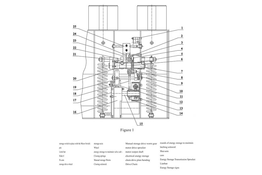
- VCB Composition
Under normal operation, the breaker’s main contacts remain closed, allowing uninterrupted current flow. During overload or short-circuit events, the thermal or magnetic trip mechanism activates. The spring mechanism ensures rapid contact separation, generating a controlled electric arc. This arc is immediately directed into the vacuum interrupter, where it is cooled, divided, and extinguished. This process isolates the faulty section, protects downstream equipment, and prevents damage to the overall system. The result is fast fault clearance, safe operation, and minimal maintenance requirements.
![]() |
![]() |



To ensure transportation safety, our electrical products are exported in reinforced wooden crates. The crates undergo heat treatment and bear the ISPM-15 mark, enabling swift customs clearance. The raised base design facilitates forklift operation, while internal shock-absorbing fastening ensures the products arrive intact. All exterior crates are clearly labeled and comply with international logistics standards.
-
Power transmission successful
-
Photovoltaic Grid-Connected Cabinet Utilising ACB and MCCB
-
Box-typesubstation ACB VCB MCCB
-
Box-typesubstation ACB VCB MCCB
-
Box-typesubstation ACB VCB MCCB
-
Box-typesubstation ACB VCB MCCB
-
Photovoltaic Grid-Connected Cabinet Utilising ACB and MCCB
-
Power transmission successful
-
Power transmission successful
-
Photovoltaic Grid-Connected Cabinet Utilising ACB and MCCB
| No | Item | Units | Count value |
| 1 | The rated voltage | - | 12 24 35 |
| 2 | The rated voltage (short-term frequency tolerance 1min) | kV | 42 |
| 3 | The rated voltage tolerance lightning shocks peak | - | 75 |
| 4 | Rated frequency | Hz | 50 |
| 5 | Rated current | A | 630、1250 |
| 630、1250、1600、2000、2500、3150 | |||
| 1250、1600、2000、2500、3150、4000 | |||
| 6 | Rated short open circuit current | kA | 20/25、31.5、40 |
| 7 | The rated voltage short tolerance | kA | 20/25、31.5、40 |
| 8 | Rated short duration | s | 4 |
| 9 | Rated current peak tolerance | kA | 50/63、80、100 |
| 10 | Rated short-circuit current close | kA | 50/63、80、100 |
| 11 | The secondary circuit frequency voltage tolerance 1min) | V | 2000 |
| 12 | Rated singleback capacitor set open circuit current | A | 630/400 (40kA 800/400) |
| 13 | Rated capacitor set close currents | kA | 12.5 (frequency no greater than 1000Hz) |
| 14 | Break-brake time (rated voltage) | ms | ≤50 |
| 15 | Feeder time (rated voltage) | ms | ≤100 |
| 16 | Mechanical life | - | 20000 |
| 17 | Rated current open circuit times (life) | Switching | 20000 |
| 18 | Rated short-circuit current open circuit | - | 50(40kA≤30) |
| 19 | Dynamic and static contact allow wear thickness | mm | 3 |
| 20 | The rated operating voltage feeder | - | - |
| 21 | The rated voltage break-brake operations | V | AC110/220 DC110/220 |
| 22 | Storage motor rated voltage | - | - |
| 23 | Storage motor power rating | W | 70 |
| 24 | Storage time | s | ≤10 |
| 25 | Contact opening distance | mm | 11 ± 1 |
| 26 | Super-trip | - | 3.5 ± 0.5 |
| 27 | Closing contact bounce time | ms | ≤240(A≤3) |
| 28 | Three-phase points, closing at different stages of sexual | - | ≤2 |
| 29 | Average gate speed (contact separation-6mm) | m/s | 0.9–1.2 |
| 30 | Average closing speed (6mm-contact closure) | m/s | 0.5–0.8 |
| 31 | Leading electric circuit resistance | μΩ |
≤50(630a)、≤45(1250A) ≤35(1600–2000A)、≤250(2400) |
| 32 | Contactor feeder contact pressure | N |
2000±200(2000A)、2400±200(25kA) 3100±200(31.5kA)、4250±250(40kA) |
| 33 | The rated operating sequence | - |
Points - 0.3s - and points 180s - and - |

English
Français
Español
عربى


















































